Kontakt | Impressum | Homepage

Kleinspannungssolaranlage

Auf dieser Seite beschreibe ich meine Erfahrungen mit einer Kleinspannungsgleichstromanlage, die aus Solarmodulen gespeist wird. Die 24 Volt Anlage versorgt bei mir im Haus Geräte und Beleuchtungsanlagen, die nur einen geringen Leistungsbedarf haben und keine höhere Versorgungsspannung benötigen. Dafür habe ich ein separates Gleichstromnetz aufgebaut.

Ein wichtiger Hinweis: Die Konstruktion der Anlage ist keine ingenieurtechnische Leistung, sondern nur mein Hobby. Trotz aller Sorgfalt, für Probleme oder Schäden, die bei einem eventuellen Nachbau entstehen, übernehme ich keine Haftung.

Mit der Dokumentation zur Anlage komme ich kaum hinterher, weil es ständige Veränderungen gibt.

Dies ist der Stand vom April 2022 und steht möglicherweise im Widerspruch zu manchem weiter unten beschriebenen Detail.

Gesamtschaltbild der Anlage

Gesamtschaltbild Akkumanagement

Teilschaltbild Ladungsmessung

Das Konzept

Wie die Anlage am besten konzipiert wäre, hat sich erst im laufe der Jahre herausgebildet. Erste Entwürfe mussten schnell wieder geändert werden, weil es unerwartete Probleme gab. Jetzt versorgt die Anlage zuverlässig die daran angeschlossenen Verbraucher. Viel Geld verdienen kann ich damit nicht, etwa 50 Euro pro Jahr. Es ist mein Hobby.

Das Konzept im Detail: (pdf 63 kB)

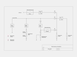
Blockschaltbild

Im Blockschaltbild sind nur die Stromflüsse mit hoher Leistung dargestellt, damit das Funktionsprinzip deutlich wird. Was wie geschaltet oder geregelt wird, ist in den Stromlaufplänen der Gesamtschaltung zu sehen, bzw. in Teilschaltungen, die weiter unten beschrieben werden.

Die Erklärung dazu: (pdf 96 kB)

Solarmodule

Die Solarzellen sind zum Zeitpunkt dieser Veröffentlichung (2019) schon 7 Jahre auf dem Dach. Sie sollen zusammen maximal 320 Watt liefern. Zwischen 250 und 300 Watt kann ich auch oftmals messen. Selbst an bewölkten Tagen sind noch 50 Watt möglich.

Weitere Daten: (pdf 351 kB)

Ein zusätzliches Verteilnetz

Zur Verteilung der Energie aus der Solaranlage habe ich ein zusätzliches Netz installiert, mit einer stabilen 12 Volt Spannungsschiene und einer zweiten, die zwischen 20 und 27 Volt schwanken kann. Dabei war einiges zu beachten.

Die Einzelheiten: (pdf 830 kB)

Die Akkus sind das größte Problem

Zur Verteilung der Energie aus der Solaranlage habe ich ein zusätzliches Netz installiert, mit einer stabilen 12 Volt Spannungsschiene und einer zweiten, die zwischen 20 und 27 Volt schwanken kann. Dabei war einiges zu beachten.

Die Einzelheiten: (pdf 830 kB)

Der neue Akku ist ein Li-Ion

Nachdem ich verschiedene Varianten der Bleiakkumulatoren durchprobiert und dabei verschlissen habe, berichtete mir ein Familienmitglied von der Möglichkeit, einen Li-Ion Akku aus Resten alter Laptop Akkus selbst zusammen zu bauen. Es wurde dann ein Gemeinschaftswerk und hat uns wochenlang beschäftigt. Entstanden ist ein preiswerter Batteriespeicher mit tatsächlich nutzbaren 2 kW, der sich inzwischen (April 2022) schon über ein Jahr bewährt hat.


Erfahrungen bei der Herstellung: (pdf 4,1 MB)

Ein gutes Batteriemanagementsystem (BMS) haben wir hier gefunden:

github.com/stuartpittaway/diyBMSv4

Programmierung des diyBMS Controllers: (pdf 704 kB)

Stromweiche

Ein besondere Herausforderung war die Schaltung, die dafür sorgen sollte, dass der Strom, der gerade nicht in der Anlage gebraucht wird, zur Boilerheizung umgelenkt wird, wobei der Anlagenstrom immer Vorrang haben sollte.

Ich fand eine Lösung: (pdf 140 kB)

Mikrocontroller und INA219 messen die Ladung

Mit dieser Messeinheit wird die tägliche Ladung des Akkumulators kontrolliert und in Ampere/Stunde [Ah] angezeigt. Der Messbereich reicht von 0,1 Ah bis 99 Ah. Dieses Arduino Projekt habe ich auch schon an anderen Stellen genutzt. Hier läuft es auf einem Atmega 328 Mikrocontroller.


Schaltbild (pdf 72 kB)

Beschreibung (pdf 31 kB)

Software (txt 6 kB)

Boilerheizung

Den überflüssigen Solarstrom für die Heizung eines Wasserboilers zu verwerten, war vor allem eine mechanische Herausforderung. Fertige Komponenten werden kaum angeboten oder sind nicht geeignet.

Umbau eines HWS 2030: (pdf 342 kB)

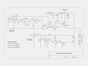
Steuerung mit Mikrocontroller ESP8266

Inzwischen gibt es in meiner Anlage mehrere Mikrocontroller. Dieser ESP8266 steuert aber die wesentlichen Funktionen, indem er die Anlagenspannung überwacht, und sendet den Status der Anlage per WLAN. Eigentlich sollte er auch das PWM Signal für die Stromweiche erzeugen, aber an der Aufgabe bin ich erst mal gescheitert.

Was schon geht: (pdf 506 kB)

Netzteil für die trüben Tage

Das Ersatzstromnetzteil wird eingeschaltet, wenn die Solarzellen keine ausreichende Energie liefern und die Batterien den vorgegebenen Spannungswert unterschritten haben.

Details zum Netzteil: (pdf 491 kB)